8 Истечение жидкости через отверстия и насадки
8.211 Определить расход, диаметр струи и скорость при истечении воды через малое отверстие диаметром D = 10 мм с острой кромкой под напором h = 1 м (рис. 4.4).
8.212 Сравните расходы воды, вытекающей из внутреннего цилиндрического насадка и вытекающей через отверстие в тонкой стенке, для чего найдите их численное отношение. Диаметры отверстия и насадка принять одинаковыми.
8.213 Из бачка I вода подается при постоянном уровне через цилиндрический насадок диаметром d1 = (0,3 + 0,02·y) м в емкость, разделенную на два отсека: II и III. В перегородке есть прямоугольное отверстие размерами a = (0,4 + 0,02·y) м, b = (0,2 + 0,01·z) м. Полный напор над центром тяжести наружного отверстия диаметром d2 = (0,4 + 0,01·z) м H = (4,0 + 0,1·y) м.
Определить расход Q и высоты уровней воды в отсеках II и III, т. е. h1, h2, h3 (рис. 8).
Решены 100 вариантов задачи
Скачать файлыВсе задачи из: Новикова А.М Механика жидкости и газа СПбГАСУ 2014
8.214 Определить скорость опускания груза при дросселировании рабочей жидкости через дроссель с обратным клапаном, если коэффициент расхода дросселя μ = 0,75, а плотность жидкости ρ = 890 кг/м³: Sдр = 5,0×10-6 м², рном = 10 МПа, D = 50 мм.
8.215 Два одинаковых круглых отверстия диаметром 20 мм расположены один выше другого на расстоянии Н1 = 30 см, центр нижнего расположен на Н2 = 15 см выше дна. Определить, при какой глубине Н воды в резервуаре суммарный расход через отверстия будет 2 л/с (рис. 3).
8.216 Из открытого бака вода вытекает через малое отверстие в атмосферу. Глубина воды в баке h = 3м поддерживается постоянной. При какой высоте h1 отверстия от пола дальность падения струи l будет максимальной (рис. 10.22)?
8.217 Истечение жидкости через насадки.
Определить расход воды вытекающей через насадки различной формы (конический расходящийся со скругленным входом, конический сходящийся и внешний цилиндрический) из резервуара, в котором поддерживается постоянный уровень жидкости Н (рис. 1). Диаметр насадков d.
Определить длину насадка. Сделать вывод о том, как влияет форма насадка на расход.
Построить эпюру гидростатического давления на стенку, в которой расположены насадки.
Таблица 1
Исходные данные
| № варианта | d, м | θ, град | α, град | Н, м | h, м |
| 2 | 0,03 | 6 | 6 | 10 | 5 |
8.128 На рисунке показана упрощенная схема самолетного гидропневмоамортизатора. Процесс амортизации при посадке самолета происходит за счет проталкивания рабочей жидкости (ρ=900 кг/м³) через отверстие d (коэффициент расхода μ=0,75) и за счет сжатия воздуха. Диаметр поршня D. Определить скорость движения цилиндра относительно поршня в начальный момент амортизации, когда давление воздуха в верхней части амортизатора рм, расчетное усилие F.
| D, мм | d, мм | рм, МПа | F, кН |
| 80 | 8,0 | 0,180 | 40 |
Все задачи из: Савинов В.Н. Гидравлика НГТУ 2009
8.219 Водоспуск плотины пропускает расход Q = 2 м³/с при перепаде уровней h1 — h2 = 10 м (рис. 10.14). Определить необходимый диаметр водоспуска d и минимальное затопление h2, чтобы вакуум внутри водоспуска был меньше рв = 4·104 Па. При решении водоспуск считать как внешний цилиндрический насадок.
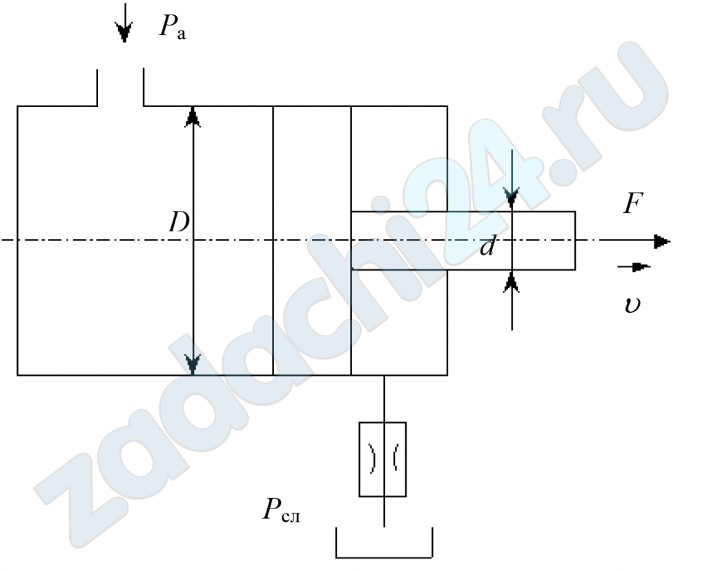
8.220 Определить диаметр отверстия дросселя, установленного на сливе из гидроцилиндра, при условии движения штока под действием внешней нагрузки F со скоростью V. Диаметры: штока — d, цилиндра — D. Коэффициент расхода дросселя μ, плотность жидкости ρ, давление на сливе рсл.
| Параметры | Вариант |
| а | |
| F, кН | 60 |
| V, мм/с | 200 |
| d, мм | 40 |
| D, мм | 80 |
| μ | 0,65 |
| ρ, кг/м³ | 850 |
| рсл, МПа | 0,3 |
Все задачи из: Сухов А.В. Гидропривод 551800





